Ultraschall

Home -> Grundlagen -> Strahlungsarten

Grundlagen

Über  Entstehung und Wirkung von Ultraschallwellen

Verwendung

Wie  Ultraschall in der Technik verwendet weden kann

Der Mensch

hat  sich diese Form der Schallwellen in vielfältiger Form und auf den unterschiedlichsten Gebieten zunutze gemacht

mobirise, pixabay

Ultraschall

Der  Mensch kann akustische Schallwellen nur im hörbaren Frequenzbereich (zwischen 16Hz und 20kHz) wahrnehmen.

Darunter  liegt der "Infraschall" (solche Wellen treten z.Bsp. bei Erdbeben auf) bzw. darüber der Frequenzbereich des "Ultraschall".

Ab  einer Schallfrequenz von 1GHz sprechen wir sogar von "Hyperschall".

Als  Ultraschall wird zwar heute umganganssprachlich das medizinische Untersuchungsverfahren ("Sonografie") bezeichnet, aber das Spektrum der praktischen Anwendungen ist wesentlich größer.

In  der Natur bedienen sich viele Lebewesen des Ultraschall zur räumlichen Orientierung, für die Beutejagd oder für die Kommunikation. 

Im  Alltag der Menschen hat der Ultraschall dank seiner relativ einfachen technischen Realisierung und der stetigen Entwicklung der Technik seit Langem einen festen Platz eingenommen.

mobirise, pixabay

Erzeugung, Eigenschaften und Wirkung

Tiere  erzeugen Ultraschallwellen mittels ihrer natürlichen Organe.

Der  Mensch bedient sich entweder sehr einfacher Mittel (Hundepfeife) oder aber er nutzt entsprechende technologische Mittel (Piezokristalle oder spezielle Ferromagnete).

Ultraschall  breitet sich in unterschiedlichen Medien (Gase, Flüssigkeiten, Festkörper) unterschiedlich schnell aus. wobei Festkörper neben der Volumenelastizität (auch Gase und Flüssigkeiten) zusätzlich Formelastizität besitzen.

Dadurch  können in Festkörpern "Transversalwellen" und "Longitudinalwellen" auftreten.

Der  Übergang des Ultraschalls zwischen Stoffen unterschiedlichen Aggregatzustandes (z.Bsp. Luft/Wasser) passiert nur, wenn die Schallwellen in unmittelbarer Nähe abgestrahlt werden oder sich ein Koppelmedium ähnlicher akustischer Eigenschaften zwischen beiden Stoffen befindet, denn Ultraschall wird je nach Material eines Hindernisses an dessen Oberfläche reflektiert oder absorbiert (gedämmt, verschluckt). 

Diese  Eigenschaften werden in den verschiedensten Anwendungen genutzt, 

mobirise, pixabay

Verwendung in der industriellen Messtechnik

Die  häufigsten Anwendungen sind kontinuierliche Füllstandsmessung bzw. Grenzstanderfassung.

Aufgrund seiner Eigenschaften kann Ultraschall sowohl für Feststoffe (Schüttgüter) als auch für Flüssigkeiten verwendet werden.

Weitere Einsastzgebiete sind die Durchflussmessung von Flüssigkeiten und Gasen in geschlossenen Rohren bzw. in offenen Gerinnen, aber auch die Massendurchsatzmessung von Feststoffen (Schüttgütern) auf Bandanlagen.

Mithilfe  des Ultraschalls lassen sich zwei Verfahren realisieren:
● Laufzeitmessung (vorwiegend für Füllstandsmessung) 
● Dopplermethode (nur für Durch-flussmessung von Flüssigkeiten) 

 In  allen Fällen handelt es sich dabei um berührungslose Verfahren, d.h. es gibt keinen direkten Kontakt zum Messmedium, wenngleich auch teilweise invasive Messungen (der US-Sensor ist nicht durch Behälterwand vom Prozess getrennt) vorgenommen werden. 


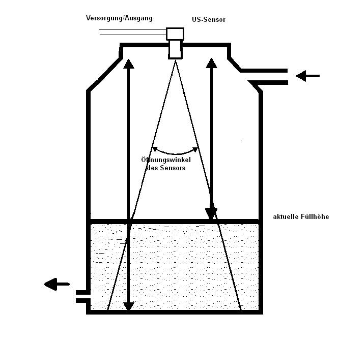
RGI

Schema Füllstandsmessung

RGI

Schema Durchflussmessung

mobirise, pixabay

Strahlungsarten

mobirise, pixabay

Gammastrahlung

mobirise, pixabay

Infrarotstrahlung

mobirise, pixabay

Mikrowellen

mobirise, pixabay

Neutronenstrahlung

Mobirise, pixabay

Ultraschall

Sie haben Fragen - benötigen Hilfe - suchen nach einer Lösung?

Unsere  MitarbeiterInnen helfen Ihnen gerne, kümmern sich um Ihre Anfragen und Aufträge.

Hilfe  und Beratung bei der Auswahl des Messsystems, das am besten zu Ihrer Anwendung passt,
erhalten Sie bei unseren Experten in der Prozessmesstechnik.